熱門搜索: 伺服超聲波焊接機 超聲波塑料焊接機 超聲波焊接自動化配套 手持式超聲波切割機 招商加盟
咨詢熱線
13612231694
埃夫特防爆機器人
適用場景:可應用于搬運、分揀、組裝、打磨、拋光、噴涂等應用的粉塵或者氣體防爆場景
特點:基于埃夫特成熟平臺研發設計,穩定可靠;無電池編碼器,全密封設計,線纜全包裹,完整腔體的閉環防爆控制,更安全;防爆等級:Ex db ib pxb llC T5 Gb、Ex ib pxb tb lllC T100'C Db 可用于1區及21區危險環境;
13612231694
01基于埃夫特成熟平臺研發設計,穩定可靠
02無電池編碼器,全密封設計,線纜全包裹,完整腔體的閉環防爆控制,更安全
03防爆等級:Ex db ib pxb llC T5 Gb、Ex ib pxb tb lllC T100'C Db 可用于1區及21區危險環境
04可應用于搬運、分揀、組裝、打磨、拋光、噴涂等應用的粉塵或者氣體防爆場景
Operating ranges
可達半徑:600mm
控制軸數:4
手腕可搬運質量:22kg
可達半徑:1391mm
控制軸數:6
手腕可搬運質量:12kg
可達半徑:1850mm
控制軸數:6
手腕可搬運質量:25kg
.
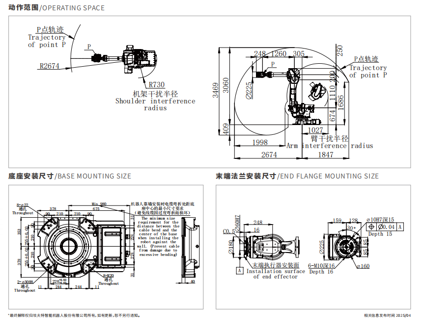
可達半徑:2674mm
控制軸數:6
手腕可搬運質量:210kg
可達半徑:3074mm
控制軸數:6
手腕可搬運質量:10kg
可達半徑:2674mm
控制軸數:6
手腕可搬運質量:210kg
.
微信咨詢
聯系電話